TOP
產品描述
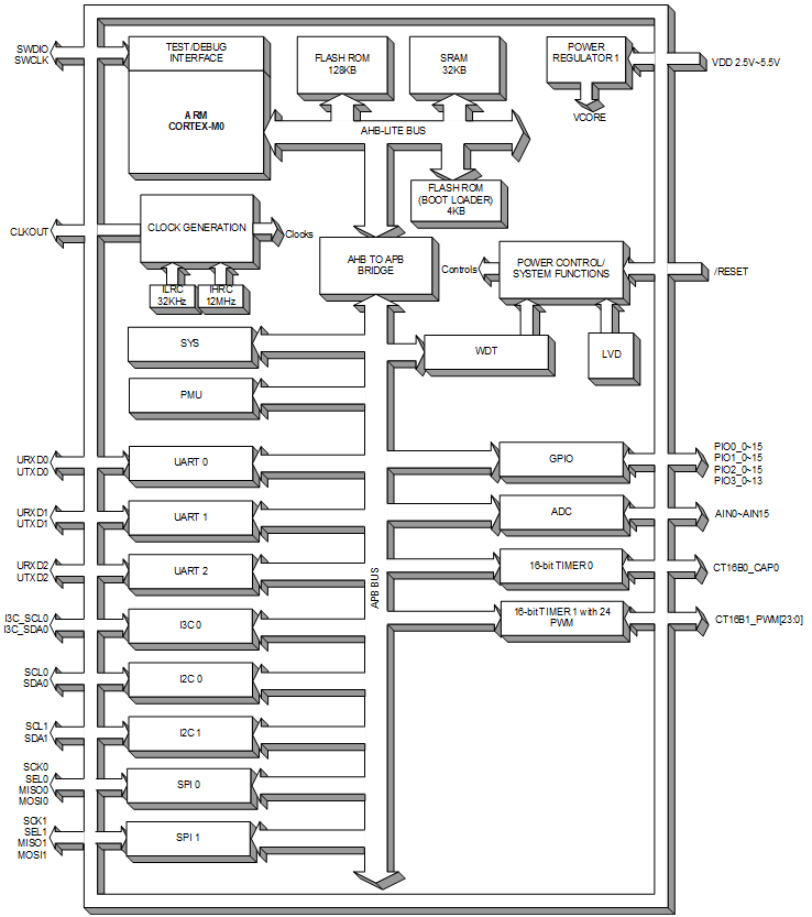
SN32F760C 系列单片机是一款全新以先进Flash ROM制程设计的低功耗、高效能产品,以ARM Cortex ™-M0 为核心,工作电压介于2.5V~5.5V,主频高达48MHz
(43DMIPS)。SN32F760C系列单片机IC结构一流,包括128KB Flash ROM程序内存、32KB RAM程序内存、巢状向量中断控制单元(NVIC)、两组16位定时器、通讯接口包括两组I2C、两组SPI、三组UART、一组I3C以及16+1信道12位SAR
ADC。SN32F760C系列单片机拥有许多系统时钟来源,包括内部12MHz RC震荡器、内部32KHz RC 震荡器和内部PLL. 在此Flash ROM 平台下,
SN32F760C 系列单片机内置在线编程功能(ISP),可扩展为EEPROM应用。强大的功能、高可靠性和低功耗可以在电池场合轻松应用。
-
Data Sheet
-
Software Tools
-
Development Tools