TOP

SN32F7653C

Description

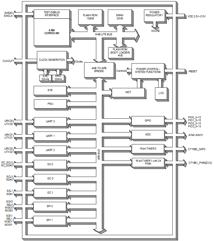
SN32F760C series 32-bit micro-controller is a new series of extremely Low Power Consumption and High Performance MCU powered by ARM Cortex-M0 processor with Flash ROM architecture. SN32F760C series MCU is high performance and wide operating range (2.5V~5.5V, 48 MHz maximum frequency). The device is designed with the excellent IC structure including the program memory up to 128KB Flash ROM, data memory of 32KB RAM, Nested Vectored Interrupt Controller (NVIC), two 16-bit timers, I2C, SPI, UART, I3C interfaces, 16+1-channel 12-bit SAR ADC and flexible operating modes. There are several system clock sources, including internal 12MHz RC oscillator, internal 32KHz RC oscillator, and PLL. Under Flash ROM platform, SN32F760C series MCU builds in in-system-programming (ISP) function extending to EEPROM emulation. Powerful functionality, high reliability and low power consumption can apply to battery level application easily.