TOP

SNPD1746

產品描述

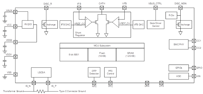
The SNPD1740 Series is a highly integrated USB Type-C port controller that complies with the latest USB Type-C and Power Delivery (PD) standards. With SONiX’s proprietary 8051 technology, the SNPD1740 Series consists of an 8-bit 8051 processor, a 16 KB on-chip flash programming memory, a complete Type-C USB-PD transceiver, an integrated feedback control circuit for voltage (VBUS) regulation, and all termination resistors required for a Type-C port. Featuring multiple I/Os, well-integrated BOM, and system-level ESD protection, the SNPD1740 Series is well-suited for power adapter applications.