TOP
產品描述
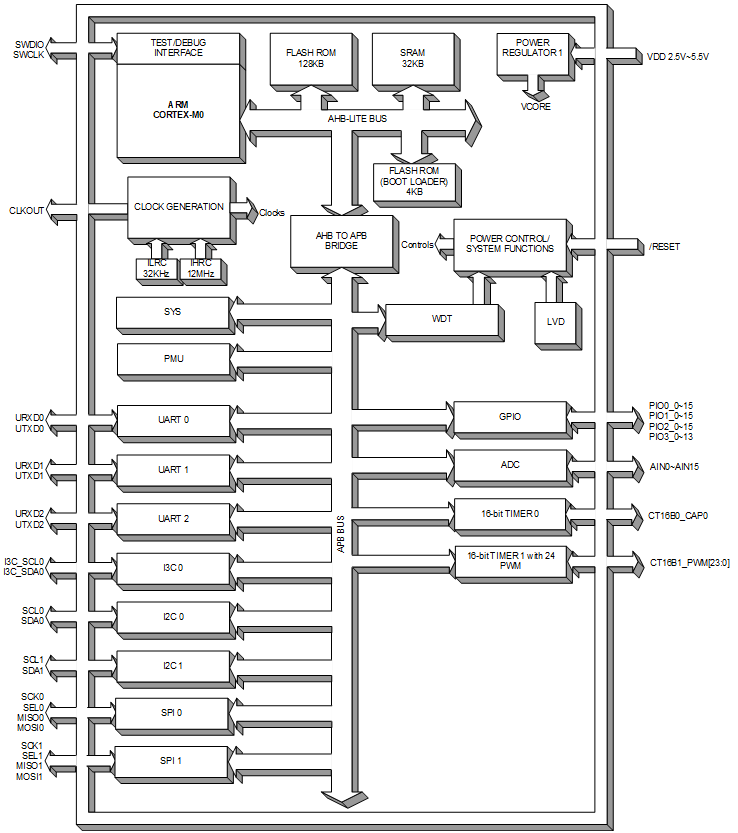
SN32F760C 系列單片機是一款全新以先進Flash ROM製程設計的低功耗、高效能產品,以ARM Cortex ™-M0 為核心,工作電壓介於2.5V~5.5V,主頻高達48MHz
(43DMIPS)。SN32F760C系列單片機IC結構一流,包括128KB Flash ROM程式記憶體、32KB RAM程式記憶體、巢狀向量中斷控制單元(NVIC)、兩組16位元計時器、通訊介面包括兩組I2C、兩組SPI、三組UART、一組I3C以及16+1通道12位元SAR
ADC。SN32F760C系列單片機擁有許多系統時鐘來源,包括內部12MHz RC震盪器、內部32KHz RC 震盪器和內部PLL. 在此Flash ROM 平台下,
SN32F760C 系列單片機內置線上編程功能(ISP),可擴展為EEPROM應用。強大的功能、高可靠性和低功耗可以在電池場合輕鬆應用。
-
Data Sheet
-
Software Tools
-
Development Tools